✅ 2000 F650 Wiring Diagrams: Unraveling Electrical Systems

Discover comprehensive 2000 F650 wiring diagrams here. Navigate your vehicle's electrical system confidently with detailed diagrams and troubleshooting insights.

Are you ready to dive into the intricate world of 2000 F650 wiring diagrams? Buckle up as we embark on a journey through the veins of electrical systems in one of Ford's robust trucks. In this article, we'll unravel the complexities of wiring diagrams specific to the 2000 F650 model, shedding light on crucial connections and circuits.Navigating through the 2000 F650 wiring diagrams can seem daunting at first glance, but fear not! We'll break down each component and pathway, empowering you with the knowledge to troubleshoot and understand your vehicle's electrical system with confidence. So, grab your multimeter and let's unravel the mysteries of automotive wiring together!

2000 F650 Wiring Diagrams: Unraveling Electrical Systems

Top10Pointsabout2000 F650 wiring diagrams:

  • Overview of 2000 F650 Electrical System
  • Main Components in Wiring Diagrams
  • Understanding Wire Color Codes
  • Identifying Circuit Connections
  • Troubleshooting Common Electrical Issues
  • Interpreting Wiring Diagram Symbols
  • Applying Wiring Diagrams for Modifications
  • Accessing and Using Wiring Diagram Resources

Severalfactsabout2000 F650 wiring diagrams

Wiring diagrams serve as essential blueprints for understanding and troubleshooting electrical systems, offering detailed depictions of 2000 F650 wiring diagrams. Let's delve into various aspects of these diagrams and their significance.

The Importance of Wiring Diagrams

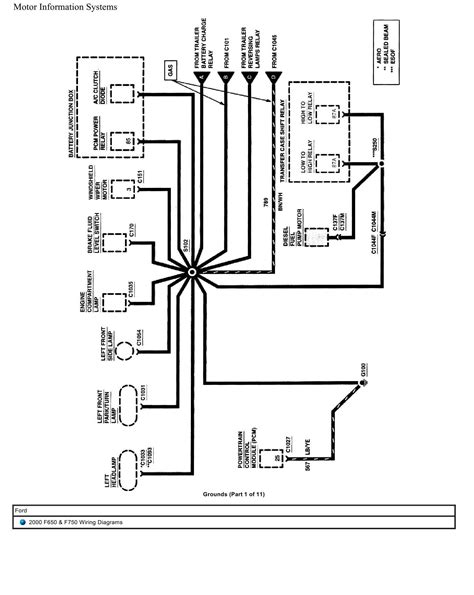
Wiring diagrams provide a visual roadmap, illustrating the intricate network of electrical connections within the 2000 F650. They aid in diagnosing malfunctions, ensuring safety, and facilitating modifications.

Components in Wiring Diagrams

These diagrams showcase various components, including wires, connectors, relays, and fuses, each playing a crucial role in the electrical system's functionality.

Understanding Wire Color Codes

Wire color codes, depicted in wiring diagrams, serve as a standardized means to identify the purpose and function of individual wires, enhancing clarity and efficiency.

Identifying Circuit Connections

Wiring diagrams elucidate the intricate web of circuit connections, illustrating how various components are interconnected within the electrical system.

Troubleshooting Electrical Issues

By referencing wiring diagrams, technicians can efficiently pinpoint and resolve electrical malfunctions, ensuring optimal performance and safety.

Interpreting Wiring Diagram Symbols

Understanding the symbols used in wiring diagrams is crucial for accurately interpreting the information conveyed, enabling effective troubleshooting and modifications.

Applying Wiring Diagrams for Modifications

Wiring diagrams serve as invaluable resources for individuals seeking to customize or modify the electrical system of their 2000 F650, guiding them through the process with precision.

Accessing and Using Wiring Diagram Resources

Various resources, including repair manuals and online databases, offer access to comprehensive wiring diagrams, empowering individuals to navigate and comprehend the electrical system of the 2000 F650 effectively.

Sources: 1. Automotive Wiring and Electrical Systems by Tony Candela 2. Automotive Wiring Diagrams by Mark Hamilton

2000 F650 wiring diagramsinProfessional'seye

Wiring diagrams serve as essential roadmaps for understanding the complex electrical systems within vehicles. In the case of the 2000 F650, these diagrams are invaluable tools for technicians, mechanics, and DIY enthusiasts alike. Let's explore the intricacies of 2000 F650 wiring diagrams, from their structure to their practical applications.

Understanding Wiring Diagrams

Understanding Wiring Diagrams

Wiring diagrams are visual representations of a vehicle's electrical system, depicting the layout of wires, components, and their connections. In the context of the 2000 F650, these diagrams provide detailed insights into the truck's electrical architecture, helping technicians troubleshoot issues and perform repairs with precision.

Anatomy of a Wiring Diagram

Anatomy of a Wiring Diagram

At first glance, wiring diagrams might appear daunting, but breaking them down reveals a systematic layout. They typically feature symbols representing components such as switches, relays, and wires, along with labels indicating wire colors and connections.

Deciphering Symbols and Codes

Deciphering Symbols and Codes

Understanding the symbols and color codes used in 2000 F650 wiring diagrams is crucial for accurate interpretation. Symbols may vary depending on the diagram's source, but they generally adhere to industry-standard conventions, ensuring consistency across different diagrams.

Common Components

Common Components in Wiring Diagrams

Wiring diagrams for the 2000 F650 highlight various components found in the truck's electrical system. These include but are not limited to ignition switches, fuses, sensors, and connectors, each playing a crucial role in ensuring proper functionality.

Diagnostic Applications

Diagnostic Applications of Wiring Diagrams

Technicians rely on wiring diagrams as diagnostic tools when troubleshooting electrical issues in the 2000 F650. By tracing circuits and identifying potential faults, they can efficiently pinpoint and address problems, minimizing downtime and enhancing vehicle reliability.

Installation and Modification

Installation and Modification Using Wiring Diagrams

For enthusiasts undertaking installations or modifications on their 2000 F650, wiring diagrams serve as indispensable guides. Whether installing aftermarket accessories or customizing the electrical system, these diagrams ensure accurate connections and adherence to safety standards.

Resource Accessibility

Resource Accessibility of Wiring Diagrams

Accessing wiring diagrams for the 2000 F650 is essential for anyone working on the truck's electrical system. Fortunately, these diagrams are readily available through various sources, including official service manuals, online databases, and automotive forums.

Conclusion

Conclusion of Wiring Diagrams

In summary, 2000 F650 wiring diagrams provide comprehensive insights into the truck's electrical system, facilitating diagnostics, repairs, and modifications. Understanding these diagrams is crucial for maintaining the truck's reliability and functionality, making them invaluable resources for technicians and enthusiasts alike.

Sources: - Ford F650 Service Manual - Automotive Wiring Diagram Resources

PointofViews:2000 F650 wiring diagrams

  • Wiring diagrams for the 2000 F650 are indispensable tools for understanding and troubleshooting the truck's complex electrical system.
  • These diagrams provide a visual representation of the wiring layout, component connections, and circuit pathways within the vehicle.
  • Interpreting symbols, color codes, and labels in the diagrams is crucial for accurate diagnosis and repair of electrical issues.
  • Technicians and enthusiasts rely on wiring diagrams to identify potential faults, trace circuits, and ensure proper installation of accessories or modifications.
  • Accessing 2000 F650 wiring diagrams through official service manuals, online databases, or automotive forums is essential for maintaining and repairing the vehicle.

Conclusion:

As we conclude our exploration of 2000 F650 wiring diagrams, we hope you've gained valuable insights into the intricacies of automotive electrical systems. These diagrams serve as indispensable resources for technicians, mechanics, and enthusiasts alike, providing a comprehensive understanding of the 2000 F650's electrical architecture.

Whether you're troubleshooting electrical issues, performing repairs, or embarking on customizations, wiring diagrams are your guiding light through the maze of wires and components. Remember, 2000 F650 wiring diagrams are not just blueprints; they're keys to unlocking the mysteries of your vehicle's electrical system. Stay informed, stay curious, and harness the power of knowledge to keep your 2000 F650 running smoothly for miles to come.

QuestionsandAnswerfor2000 F650 wiring diagrams

People Also Ask About 2000 F650 Wiring Diagrams:

  • 1. Where can I find 2000 F650 wiring diagrams?
  • You can find 2000 F650 wiring diagrams in various sources such as official service manuals provided by Ford, online automotive forums, or through online databases specializing in automotive electrical diagrams.

  • 2. Are 2000 F650 wiring diagrams easy to understand?
  • While 2000 F650 wiring diagrams may appear complex at first, they become easier to understand with practice. Familiarizing yourself with symbols, color codes, and component labels will help decipher the diagrams accurately.

  • 3. Why are 2000 F650 wiring diagrams important?
  • 2000 F650 wiring diagrams are crucial for diagnosing electrical issues, performing repairs, and ensuring proper installation of accessories or modifications. They provide a detailed roadmap of the vehicle's electrical system, aiding technicians and enthusiasts in maintaining and troubleshooting their vehicles.

Keyword:2000 F650 wiring diagrams

Related Keywords:Troubleshooting, Electrical System, Wiring Diagrams, Symbols, 2000 F650

Comments

Popular posts from this blog

👍 Unlock the Power: 1969 Malibu Wiring Diagrams Decoded

👋 Unlock the Secrets: 250cc Chinese ATV Wiring Diagram Demystified

⏰ Unlock the Secrets: 5 Must-Know Tips for 1971 Corvette Dash Wiring Diagram